نقشه مسیر جریان

نقشه مسیر جریان

نقشه مسیر جریان

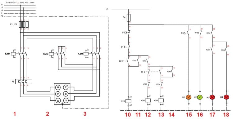
نقشه مسیر جریان، حرکت جریان الکتریکی را از منبع تغذیه به مصرف‌کننده‌ها نشان می‌دهد. این نقشه شامل اطلاعاتی درباره اجزای مختلف مدار، مانند کنتاکتورها و سنسورها، است. نقشه‌های مسیر جریان به دو نوع تحلیلی و ترکیبی تقسیم می‌شوند. نوع تحلیلی بیشتر برای مدارهای کنترل به کار می‌روند. نوع ترکیبی نمایش کامل اجزا و ارتباطات آن‌ها را فراهم می‌کند. این نقشه‌ها در مراحل طراحی، نصب و عیب‌یابی سیستم‌های الکتریکی اهمیت زیادی دارند و در شناسایی سریع‌تر مشکلات به تکنسین‌ها کمک می‌کنند.

نقشه مونتاژ

نقشه مونتاژ، که به آن نقشه حقیقی یا نقشه چندخطی نیز گفته می‌شود، جزئیات نصب و اتصال تجهیزات الکتریکی را نشان می‌دهد. این نقشه‌ها به ویژه در مراحل مونتاژ تابلو برق کاربرد دارند و اطلاعات دقیقی درباره محل قرارگیری تجهیزات و نحوه سیم‌کشی آن‌ها ارائه می‌دهند. نقشه مونتاژ به تکنسین‌ها کمک می‌کند تا با دقت بیشتری تجهیزات را نصب کرده و از صحت اتصالات اطمینان حاصل کنند.

نقشه ترمینالی

نقشه ترمینالی اتصالات سیم‌ها یا کابل‌ها به ترمینال‌های تابلو برق را نمایش می‌دهد. این نقشه به تکنسین‌ها کمک می‌کند تا به راحتی تشخیص دهند هر سیم یا کابل به کدام ترمینال متصل می‌شود و اطلاعات دقیقی درباره موقعیت و شماره‌گذاری ترمینال‌ها ارائه می‌دهد. وجود نقشه ترمینالی در مراحل نصب، راه‌اندازی و عیب‌یابی بسیار حیاتی است، زیرا امکان شناسایی سریع محل عیب را فراهم می‌کند.

نقشه خارجی

نقشه خارجی نحوه اتصال فیزیکی اجزای یک سیستم الکتریکی خارج از تابلو را نمایش می‌دهد. این نقشه به طور خاص برای نشان دادن چیدمان سیم‌ها، کابل‌ها و سایر تجهیزات در فضای بیرونی طراحی شده است. برخلاف نقشه‌های شماتیک که اجزا را به صورت نمادین نشان می‌دهند، تصویری واقعی‌تر از اتصالات ارائه می‌کند. استفاده از نقشه خارجی در مراحل نصب و عیب‌یابی بسیار مهم است. این نقشه به مهندسان و تکنسین‌ها کمک می‌کند تا تجهیزات را در مکان مناسب نصب کرده و اتصالات را به درستی برقرار کنند.

 

برچسب ها:

این مقاله بدون برچسب است.